Как выбрать токарный станок с ЧПУ: основные параметры и комплектация
- Введение
- Максимальный обрабатываемый диаметр и максимальная длина обработки
- Диаметр гидравлического патрона и его кулачки
- Крутящий момент и обороты шпинделя
- Задняя бабка, люнет и максимальный диаметр прутка
- Полезные дополнительные опции
- Заключение
Введение
Выбор токарного станка с ЧПУ — сложный процесс, который требует учета множества параметров. Ошибки при выборе могут привести к снижению производительности или невозможности обработки необходимых деталей.
Основные критерии, на которые стоит обратить внимание:
- максимальный диаметр и длина обработки,
- мощность и обороты шпинделя,
- размеры гидравлического патрона и кулачков,
- необходимые и полезные дополнительные опции.
Разберем подробнее каждый из этих параметров.
Максимальный обрабатываемый диаметр и максимальная длина обработки
Эти характеристики определяют, какого размера детали можно обрабатывать на станке. Они зависят от:
- размеров рабочей зоны,
- типа револьверной головки,
- вылета режущего инструмента,
- размеров гидравлического патрона и его кулачков.
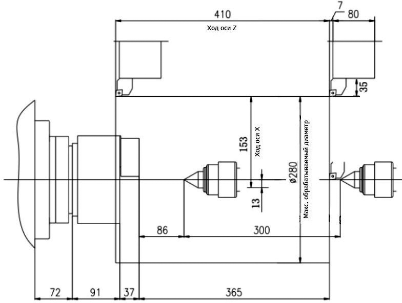
Стоит учитывать, что максимальные перемещения по осям X и Z не всегда равны максимальному обрабатываемому диаметру и длине. Например, часть хода по оси X может выходить за ось вращения шпинделя, а часть хода по оси Z заходить на патрон, что делает обработку невозможной.
Особенно важно изучить схему рабочей зоны станка, если размеры детали приближаются к предельным значениям.

Схема рабочей зоны токарного станка
Диаметр гидравлического патрона и его кулачки
Даже если рабочая зона станка позволяет обработку крупногабаритной заготовки, ее еще нужно надежно зажать.
Стандартный гидравлический патрон со штатными кулачками может зажимать заготовку с максимальным диаметром, примерно равным диаметру самого патрона. Однако в стандартной комплектации патрон обычно имеет меньший размер, чем возможный максимальный диаметр обработки.
Например:
- максимальный обрабатываемый диаметр — 400 мм,
- стандартный патрон — 250 мм.
В таком случае может потребоваться установка более крупного патрона или удлиненных кулачков.


Трехкулачковый гидравлический патрон
Если деталь большого диаметра, но небольшой длины, стоит рассмотреть вертикальный токарный станок — он удобнее при работе с массивными заготовками.

Рабочая зона вертикального токарного станка
Крутящий момент и обороты шпинделя
Даже если заготовка подходит по размерам и ее можно зажать, важно оценить, насколько эффективно станок сможет ее обрабатывать.
При выборе стоит учитывать:
- крутящий момент — важен при обработке крупных заготовок с высоким съемом материала,
- максимальные обороты шпинделя — позволяют работать с высокой подачей и получать качественную поверхность.
Производители указывают эти параметры в характеристиках, но важно изучить диаграмму крутящего момента и мощности. Она показывает, на каких оборотах достигаются максимальные показатели.

Диаграмма крутящего момента и мощности
Задняя бабка, люнет и максимальный диаметр прутка
Дополнительные устройства помогают стабилизировать заготовку при обработке.
-
Задняя бабка требуется, если длина детали более чем в 3 раза превышает ее диаметр. Она входит в стандартную комплектацию многих горизонтальных станков Abamet, помогает повысить жесткость зажима, позволяет работать с высокими режимами резания.

Поджим детали задней бабкой -
Люнет используется, если длинную деталь нужно обрабатывать с торца. Задняя бабка в этом случае не поможет.

Гидравлический люнет токарного станка
При выборе станка важно учитывать, что длина детали и вылет осевого инструмента в сумме не должны быть больше максимальной длины обработки. Должна быть возможность вывода инструмента из отверстия.
Чтобы уменьшить вылет детали в рабочей зоне, ее можно убрать в шпиндель, но для этого потребуется перезажим, что не всегда возможно, и диаметр детали не должен быть больше, чем максимальный диаметр прутка.
Полезные дополнительные опции
Некоторые опции не влияют напрямую на возможность обработки, но значительно упрощают работу оператора и повышают эффективность производства:
- щуп для привязки и измерения инструмента ускоряет настройку инструмента,
- конвейер для удаления стружки автоматизирует процесс очистки рабочей зоны,
- маслосборник помогает поддерживать чистоту и продлевает срок службы СОЖ.
При выборе станка стоит заранее подумать, какие опции будут полезны для вашего производства.

Измерительный щуп, конвейер и маслосборник
Заключение
Выбор токарного станка с ЧПУ — это не только подбор габаритов рабочей зоны, но и учет множества нюансов:
- максимальный обрабатываемый диаметр и длина детали должны соответствовать вашим задачам,
- гидравлический патрон и кулачки должны обеспечивать надежное зажатие,
- шпиндель должен обладать достаточной мощностью, крутящим моментом и скоростью вращения,
- задняя бабка и люнет могут быть необходимы при обработке длинных деталей,
- дополнительные опции повысят удобство работы и эффективность производства.
Подходя к выбору комплексно, можно подобрать оптимальное оборудование, которое обеспечит высокую производительность и точность обработки.