12 марта 2018

Передовые технологии и широкий выбор опций для самых требовательных клиентов

Уже много лет лидирующий производитель оборудования для листообработки Safan из Нидерландов удовлетворяет самые сложные запросы заказчиков в казалось-бы простом деле — резке материалов на гильотинных ножницах. Даже после объединения двух предприятий Safan и Darley , каждое из которых имеет огромный опыт в производстве современных и технологичных станков, было принято решение оставить только гильотины серий B-Shear и M-Shear от Safan, и отказаться от станков GS от Darley, несмотря на их популярность. Это было вызвано рядом уникальных решений, которые применяются только в гильотинных ножницах от Safan.

Гидравлические гильотинные ножницы SafanDarley

Технологии для быстрой, качественной и экономичной резки

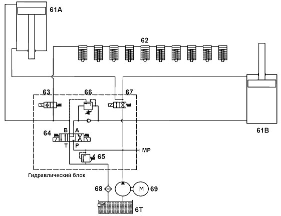
Главной отличительной особенностью гильотинных ножниц SafanDarley является система привода верхней балки.

Система привода верхней балки гильотинных ножниц SafanDarley

Во-первых — это нестандартная гидросистема с двумя контурами, а уникальна схема, в которой во время рабочего хода подъема и опускания левый и правый гидроцилиндры связаны магистралью с фиксированным объемом масла. При этом насос подает рабочую жидкость только в один цилиндр, поршень которого, в свою очередь, выталкивает масло во второй цилиндр. Из-за равенства объемов перекачиваемого масла между цилиндрами не нужно следить за положением балки и справа, и слева. При этом есть возможность изменения объема в замкнутой системе, что позволяет изменять угол наклона верхнего ножа. Достаточно только одной линейки и одного рабочего клапана. Благодаря этой конструкции станки SafanDarley получают ряд преимуществ по сравнению с любыми другими гильотинными ножницами.

  • Высокая скорость резки, для модели M205-4 количество резов в минуту может достигать 110.
  • Возможность резки деталей в любой зоне без снижения производительности.
  • Экстремально малый объем масла. 22 л для станков с максимальной толщиной реза стали до 10 мм и 60 л для станков, предназначенных для резки стали толщиной более 10 мм.
  • Снижение затрат на обслуживание.

Во-вторых — это серводвигатель в приводе насоса гидростанции. Для станков с максимальной толщиной реза 10 мм он работает в режиме «Старт-Стоп». Это позволяет снизить энергопотребление и шум во время работы и остановки, а также увеличивает скорость работы станка.

У большинства гильотин при резке длинных деталей зазор в середине станка становится больше чем по краям, где есть упор в боковины станка. Для решения этой проблемы в гильотинных ножницах SafanDarley нижняя балка расположена под определенным углом так, чтобы она под нагрузкой выгибалась не только вниз, но и в сторону верхнего ножа. Благодаря этому зазор между ножами остается постоянным по всей длине. Для изменения зазора по команде ЧПУ применены шаговый двигатель с цепью и ШВП. Блок тарельчатых пружин предназначен для обеспечения постоянства зазора во время движения верхней балки.

ЧПУ собственной разработки TS200

Учитывает все особенности и поддерживает все опции гильотин SafanDarley серии M-Shear . Благодаря этому оператор получает полный контроль над станком и максимальное удобство использования, чему немало способствует возможность перемещения пульта ЧПУ.

Пульт ЧПУ TS200

Преимущества гильотинных ножниц M-Shear SafanDarley

  • Передовая гибридная система привода (до 10 мм).
  • Высокая производительность.
  • Сенсорный цветной пульт управления TS200.
  • Полностью автоматические настройки.
  • Программируемая точка старт-стоп для всей длины реза — возможность резки деталей в любой зоне без снижения производительности.
  • Ножи с 4 режущими кромками.
  • Автоматические настройки угла и зазора.
  • Отдельный привод для регулировки зазора.
  • Постоянство зазора по всей длине благодаря конструкции.
  • Минимальные затраты на обслуживание.

К преимуществам также следует отнести многочисленные опции:

  • регулировка усилия прижима листа;
  • различные угловые упоры и фронтальные поддержки листа;
  • оптические системы безопасности спереди и сзади станка;
  • камера в тыльной зоне станка, вкл. второй монитор;
  • различные варианты пневматических поддержек отрезаемой части, включая возврат на оператора, сортировку отходов и небольших деталей;
  • различные варианты стола в зависимости от обрабатываемого материала;
  • увеличенный ход задних упоров;
  • откидные задние упоры;
  • принудительное охлаждение масла;
  • охлаждение электрошкафа;
  • внешнее ПО TS200 для ПК и многое другое.

Ограниченная серия B-Shear

  • Одна модель наиболее популярного формата 3100*6 мм.
  • Все преимущества стандартной серии M-Shear включая серво-гидравлику с системой «Старт-Стоп».
  • Задняя пневматическая поддержка листа в базовой комплектации.
  • Упрощенная система ЧПУ TS150.
  • Ограниченное количество опций.

Гильотинные ножницы SafanDarley B-Shear

Системы автоматизации гильотинных ножниц SafanDarley

Для самых требовательных клиентов мы можем предложить различные системы автоматизации для подачи листа, сортировки и складирования отрезанных заготовок:

Компания «АБАМЕТ» уже почти 20 лет с успехом поставляет на рынок России и Беларуси самые передовые решения от Нидерландского производителя SafanDarley.